Ersatzteilfertigung
Nachfertigung- und Instandsetzung von Komponenten
Unsere große Stärke und unser Vorteile ist unser eigener Maschinenpark.
Während der Saison ist oft ZEIT das größte Problem. Das Suchen nach Teilen und der Versandweg verschlingen oftmals die Pausen zwischen den Veranstaltungen.
Die Beschaffung für diverse Teile gestaltete sich zudem immer schwieriger.
Wir waren gezwungen, selbst eine Lösung zu finden.
Teile in Kleinstmengen oder Einzelanfertigungen in Auftrag zu geben, ist für viele Firmen wirtschaftlich nicht interessant oder werden nur in "ruhigen Phasen" hergestellt, nicht aber wenn sie jetzt gebraucht werden.
Es geht oft um Kleinigkeiten, wie das Erstellen von Adapterplatten oder die Bearbeitung und Anpassung von Neuteilen oder besseren Komponenten.
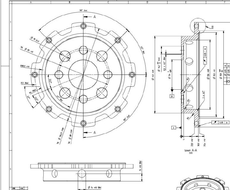
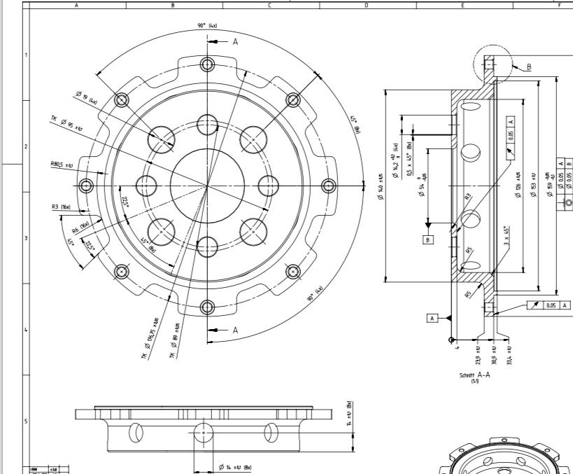
Da es keine einteiligen Bremsscheiben mehr gibt, haben wir entsprechende Bremstöpfe hergestellt, damit AP Bremsscheiben verwendet werden können.
Wir sind in der Lage, dies im eigenen Haus herzustellen.










